Montrer toutes les questions
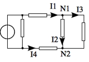
On veux mesurer le courant I2, quelle montage convient ?
On veux mesurer la tension V2, quelle montage convient ?